Колодочные тормоза серии ТКГ используются в целях остановки и удержания валов грузоподъемных машин (механизмов) в заторможенном состоянии, при неработающем двигателе. Устанавливается тормоз ТКГ в вертикальном положении, расположение оси тормозного шкива и основание крепления тормоза - горизонтальное. Используются тормоза ТКГ в механизмах следующих отраслей в пожаробезопасной среде: горнодобывающей, металлургической, в других отраслях промышленности.
Тормоза ТКГ рассчитанны на работу в помещениях и/или под навесом. При эксплуатации колодочных тормозов на открытом воздухе, оборудование должно быть защищенно от попадания атмосферных осадков и солнечной радиации кожухом.
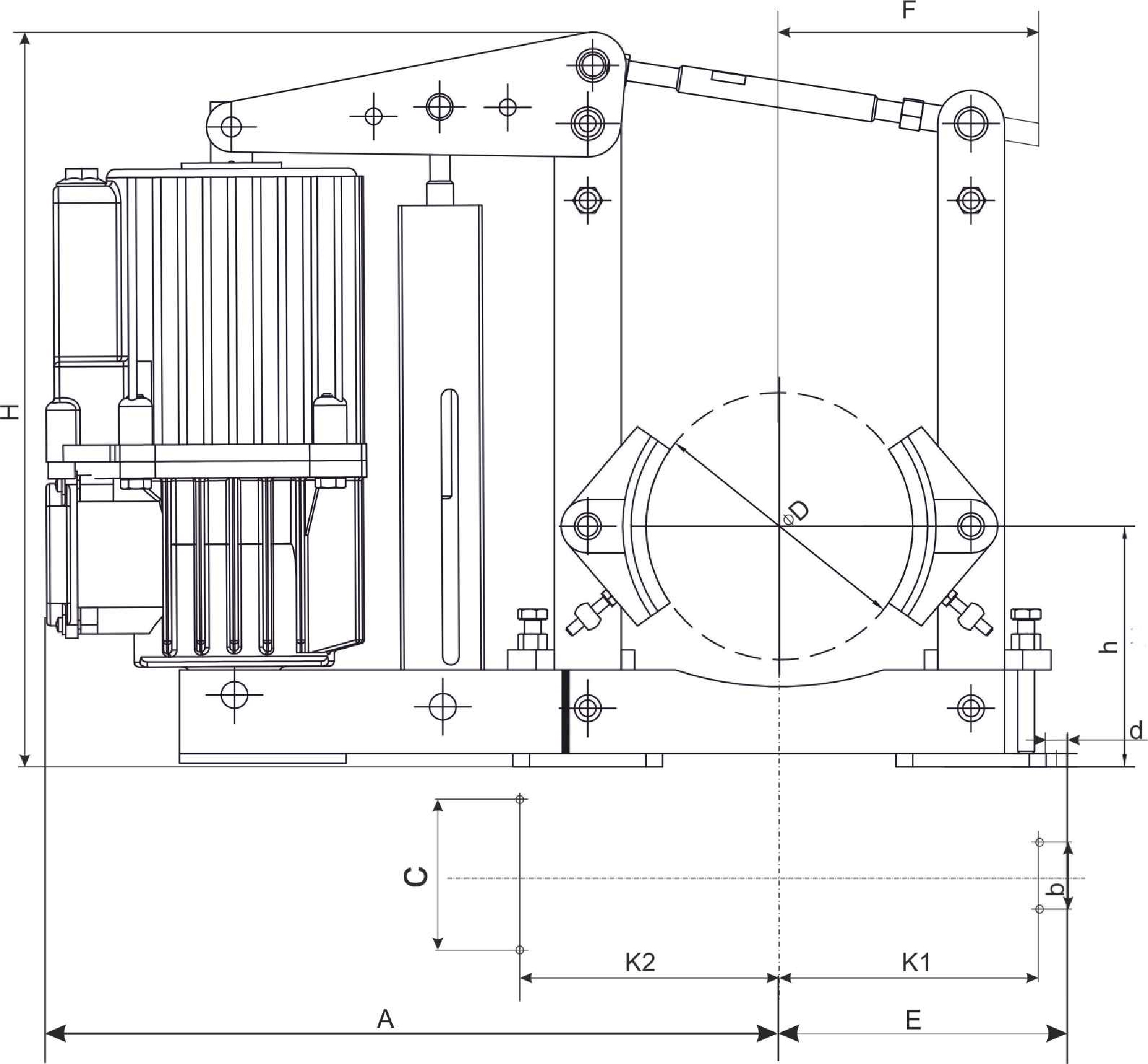
Нормальное положение тормоза ТКГ - вертикальное, а положение оси тормозного шкива и основания крепления тормоза - горизонтальное.
К преимуществам тормозов типа ТКГ можно отнести:
1) гарантированную взаимозаменяемость
2) тормозной момент - высокий и не зависит от направления вращения, обеспечивается оптимальной геометрией рычажного механизма
3) простоту регулировки
4) возможность замены тормозных колодок без разборки тормоза.
Значения факторов внешней среды (климатические) для тколодочных тормозов ТКГ соответствуют климатическому исполнению У2 и ХЛ2 согласно ГОСТ 15150, ГОСТ 15543.1. Окружающая среда должна быть пожаро- и взрывобезопасная, не должна содержать агрессивных газов и/или паров в концентрации, которая может разрушить металл, изоляцию и резину.
Колодочные тормоза ТКГ должны нормально функционировать при отклонениях напряжения питающей сети от 0,95 до 1,1 от номинального значения напряжения и при отклонениях частоты плюс-минус 0,2 Герц, от номинального значения частоты.Все работы с колодочным тормозом необходимо проводить при соблюдении мер пожарной и электро- безопасности.
Все работы по подготовке данного оборудования к работе а именно, включение, испытание и эксплуатацию, следует осуществлять, соблюдая «Правила технической эксплуатации электроустановок потребителей», «Правила техники безопасности», правила безопасности производственного оборудования в соответствии с ГОСТ 12.2.003. Колодочный тормоз ТКГ при использовании обязательно должен быть заземле
Габаритные и присоединительные размеры тормозов колодочных приведены в таблице
|
Типоразмер
Тормоза
|
H
|
F
|
D
|
K1
|
K2
|
h
|
b
|
c
|
d
|
А
|
Е
|
|
ТКГ-160 -У2
|
440
|
135
|
160
|
100
|
100
|
144
|
90
|
90
|
13
|
440
|
165
|
|
ТКГ-200 -У2
|
454
|
160
|
200
|
175
|
175
|
170
|
60
|
120
|
18
|
460
|
195
|
|
ТКГ-300 -У2
|
598
|
230
|
300
|
250
|
250
|
240
|
80
|
150
|
22
|
635
|
275
|
|
ТКГ400 -У2
|
717
|
310
|
400
|
170
|
170
|
300
|
68
|
68
|
27
|
725
|
340
|
|
ТКГ-500 -У2
|
765
|
405
|
500
|
205
|
205
|
400
|
85
|
85
|
27
|
810
|
390
|
|
ТКГ-600 -У2
|
895
|
445
|
600
|
250
|
250
|
415
|
126
|
251
|
30
|
930
|
445
|
.jpg)