
|
Наименование параметра |
Значение |
|
Номинальный ток втягивающей катушки |
10 А |
|
Изоляция рассчитана на напряжение |
до 500В |
|
Ток, отключаемый контактами реле |
не должен превышать 6А |
|
Сечение медного провода (для присоединения к контактам реле) |
до 1,5 мм2 |
|
Механическая износостойкость (при условии соблюдения правил эксплуатации) |
10000 циклов |
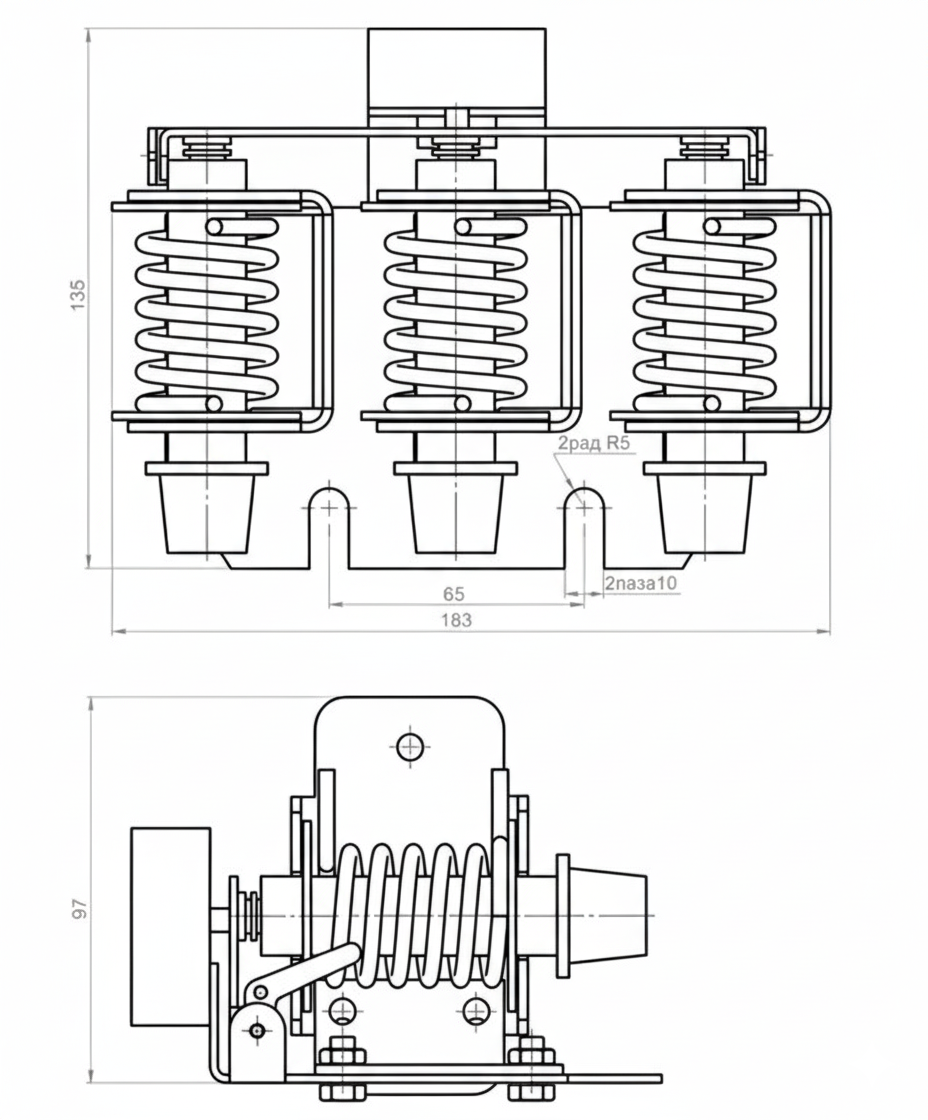
Внешний вид, габаритные и установочные размеры реле тока РЭО-401 10А:
