|
Маркировка на |
Номинальный |
Частота, Гц |
Класс |
Номинальное |
Номинальное напряжение |
Способ |
|
КВ 1,14 1,6/160 |
160 |
50 |
1,6 |
до 1140 (в т.ч. 220, 380) |
Любое по заказу |
Под болты |
|
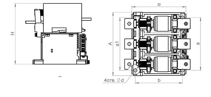
Тип контактора |
Н, мм |
А, мм |
В, мм |
а, мм |
а1, мм |
b, мм |
d, мм |
|
КВ 1,14 1,6/160 |
125 |
160 |
130 |
105 |
140 |
88 |
9 |
